Op maat gemaakte

Betonnen raamdorpels

Bescherming en stijl voor elk raamkozijn

Raamdorpels, ook wel waterslagen genoemd, zijn een onmisbaar onderdeel van elke gevel. Ze zorgen niet alleen voor een nette afwerking onder het raam, maar bieden ook functionele bescherming tegen vocht en weersinvloeden. Of je nu een nieuwbouwproject hebt of je woning renoveert: met kwalitatieve betonnen raamdorpels verleng je de levensduur van je gevel én geef je je woning een verzorgde uitstraling.

Een raamdorpel (waterslag) is licht schuin afgewerkt, zodat regenwater effectief wordt afgevoerd. Dit voorkomt vochtschade, schimmel en verkleuring aan de gevel. Een goed geplaatste raamdorpel is dus essentieel voor het behoud van je woning.

Waarom kiezen voor onze betonnen raamdorpels?

Effectieve waterafvoer; voorkomt inwatering en beschermt het metselwerk. Door de schuine afwatering loopt het water van het raam af en wordt voorkomen dat het langs de gevel naar beneden loopt, wat vochtproblemen en vervuiling tegengaat.
Duurzaam; gemaakt van weerbestendig materiaal, namelijk beton. Het materiaal is sterk.
Onderhoudsarm; bestand tegen slijtage, vuil en vorst.
Modern; een nette gevel maakt een verzorgde indruk. Het kan de waarde van je huis verhogen.
Diverse maten; we bieden raamdorpels in verschillende maten. Bekijk ons assortiment raamdorpels in onze webshop.

Het proces van tekenen, produceren, leveren & plaatsen

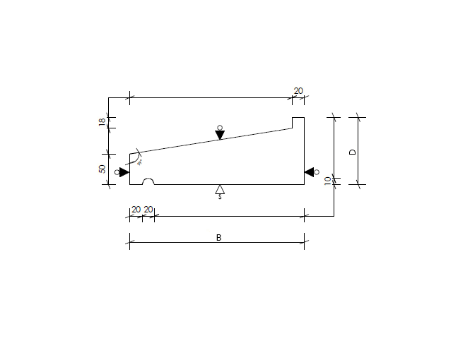
Tekening van een betonnen raamdorpel

Op de productpagina's van de betonnen raamdorpels staat een tekening van het zijaanzicht.

Deze tekening betreft het ontwerp van een betonnen raamdorpel die bestemd is voor plaatsing onder een buitenraamkozijn. De raamdorpel is ontworpen om zowel functioneel als esthetisch te voldoen aan de eisen van het bouwproject.

De dorpel is vervaardigd uit prefab beton en voorzien van een afschot van circa 9% voor een optimale waterafvoer. Aan de voorzijde is een waterhol (druipgoot) voorzien om te voorkomen dat regenwater langs de gevel naar beneden loopt. De onderzijde is vlak afgewerkt voor een stabiele plaatsing op de gemetselde ondergrond of op de constructieve draagmuur.

Productie in de fabriek van de prefab raamdorpels

De betonnen raamdorpels worden prefab geproduceerd in een gecontroleerde fabrieksomgeving, wat een constante kwaliteit en maatvastheid garandeert. Het productieproces bestaat uit meerdere zorgvuldig afgestemde stappen, van vormgeving tot nabehandeling.

Voorbereiding van de mallen

De productie start met het reinigen en voorbereiden van de mallen. Afhankelijk van het gewenste profiel van de raamdorpel worden stalen, houten of kunststof mallen gebruikt. De mallen worden behandeld met een lossingsmiddel om het ontkisten te vergemakkelijken en schade aan de oppervlakken te voorkomen.

Aanmaken en storten van beton

Het betonmengsel wordt samengesteld en gemengd. Na het mengen wordt het beton in de mal gestort en verdicht. Het is Zelfverdichtend beton (ZVB).

Uitharding en nabehandeling

Na het storten wordt het beton afgedekt en gecontroleerd uitgehard onder geconditioneerde omstandigheden. Dit draagt bij aan de sterkteontwikkeling en voorkomt uitdrogingsscheuren. Afhankelijk van het type beton en de omgevingstemperatuur duurt de uithardingsfase 24 tot 72 uur.

Ontkisten en afwerking

Na voldoende uitharding wordt de raamdorpel ontkist. Eventuele scherpe randen worden verwijderd en de zichtzijden kunnen indien nodig worden nabehandeld, geschuurd of voorzien van een structuurlaag.

Eindproduct: beton raamdorpel

De betonnen raamdorpel is gereed voor afhaling en staat klaar voor transport door de transporteur. Je kunt de raamdorpels ook komen afhalen in Lunteren. De dorpel is volledig uitgehard, gecontroleerd op maatvoering en afwerking, en voldoet aan de gestelde kwaliteitseisen.

Voorraad betonnen raamdorpels: leverbaar binnen 1 week

Wij beschikken over een voorraad betonnen raamdorpels in diverse standaardafmetingen. Deze prefab dorpels zijn direct beschikbaar en kunnen al binnen 1 week op locatie geleverd worden. Wil je deze komen afhalen? Dat kan! Plaats de raamdorpels in je winkelwandje en vink daar 'afhalen' aan. Vervolgens reken je alleen de prijs van de raamdorpels af en kun je direct de bestelling afhalen in Lunteren (Gelderland).

Beschikbare uitvoeringen (standaardmaten):

Voordelen van levering uit voorraad:

  • Snelle levertijd (binnen 5 werkdagen) of direct af te halen in Lunteren.

  • Geen productietijd of wachtrij

  • Ideaal voor kleinere projecten of spoedklussen

Wens je een specifieke maat? Ook maatwerk is mogelijk met aangepaste levertijd. Neem gerust contact met ons op voor beschikbaarheid, prijzen of een vrijblijvende offerte.

Betonnen raamdorpels geplaatst op boerderij: strak en stijlvol resultaat

Op een boerderij zijn onze betonnen raamdorpels succesvol geplaatst onder alle buitenkozijnen. De keuze voor prefab betonnen dorpels zorgt niet alleen voor een functionele afwerking, maar draagt ook sterk bij aan de uitstraling van het geheel.

Dankzij de strakke vormgeving en het egale oppervlak sluiten de dorpels naadloos aan op het metselwerk en het traditionele karakter van de boerderij. De subtiele helling in de dorpels zorgt voor een goede waterafvoer, terwijl het geïntegreerde waterhol voorkomt dat regenwater langs de gevel loopt. Dit is een belangrijk detail bij monumentale of landelijke panden.

Het resultaat is een verzorgd en duurzaam gevelbeeld dat perfect past bij de landelijke stijl van het gebouw. De grijze betonkleur geeft een rustige en tijdloze uitstraling, en vormt een mooi contrast met het metselwerk en de houten kozijnen.

Deze toepassing bewijst dat prefab betonnen raamdorpels niet alleen functioneel zijn, maar ook bijdragen aan een esthetisch hoogwaardige afwerking van zowel nieuwbouw- als renovatieprojecten.

Toepassing van raamdorpel beton

  • Onder raamkozijnen in bakstenen gevels

  • Bij woningen met spouwmuurisolatie

  • Renovatieprojecten ter vervanging van houten of natuurstenen dorpels

  • Combinatie met hardhouten, aluminium of kunststof kozijnen

Beton raamdorpel op maat

Wij leveren betonnen raamdorpels op maat, passend bij jouw project. Wij helpen je graag met een passende oplossing.

Wil je betonnen raamdorpels kopen? Vraag vrijblijvend een offerte aan of neem contact met ons op voor deskundig advies. Wij leveren hoogwaardige raamdorpels van beton door heel Nederland, tegen scherpe prijzen.

Ons assortiment raamdorpels

Kies uit verschillende maten raamdorpels. Hieronder zijn de meest verkochte maten te zien. In onze webshop zijn meer maten te verkrijgen. We hebben ook speciale hoekelementen voor erkers. Op te halen in Lunteren of thuis geleverd.

Raamdorpel hoekelement

Raamdorpel hoekelement

Een speciaal hoekelement voor onze raamdorpels. Voor een erker of een andere toepassing. Beschikbaar in alle maten die we bieden. Bij afname van een raamdorpel brengen we transportkosten in rekening. Voor de eerste raamdorpel is deze relatief hoog, voor alle andere raamdorpels komt er slecht vijf euro per product aan transportkosten bij. Je kunt je bestelling ook gratis afhalen in Lunteren (Gelderland).
Raamdorpel 115x50/83

Raamdorpel 115x50/83

Raamdorpel met waterhol en nok (20x18). In lengte variabel. Bij afname van een raamdorpel brengen we transportkosten in rekening. Voor de eerste raamdorpel is deze relatief hoog, voor alle andere raamdorpels komt er slecht vijf euro per product aan transportkosten bij. Je kunt je bestelling ook gratis afhalen in Lunteren (Gelderland).
Raamdorpel 155x50/89

Raamdorpel 155x50/89

Raamdorpel met waterhol en nok (20x18). In lengte variabel. Standaard lengtes van 1200mm op voorraad. Bij afname van een raamdorpel brengen we transportkosten in rekening. Voor de eerste raamdorpel is deze relatief hoog, voor alle andere raamdorpels komt er slecht vijf euro per product aan transportkosten bij. Je kunt je bestelling ook gratis afhalen in Lunteren (Gelderland).
Raamdorpel 155x50/89 1200mm

Raamdorpel 155x50/89 1200mm

Raamdorpel met waterhol en nok (20x18). Lengte: 1200mm. Bij afname van een raamdorpel brengen we transportkosten in rekening. Voor de eerste raamdorpel is deze relatief hoog, voor alle andere raamdorpels komt er slecht vijf euro per product aan transportkosten bij. Je kunt je bestelling ook gratis afhalen in Lunteren (Gelderland).
Raamdorpel 160x50/90

Raamdorpel 160x50/90

Raamdorpel met waterhol en nok (20x18). In lengte variabel. Standaard lengtes van 1200mm op voorraad. Bij afname van een raamdorpel brengen we transportkosten in rekening. Voor de eerste raamdorpel is deze relatief hoog, voor alle andere raamdorpels komt er slecht vijf euro per product aan transportkosten bij. Je kunt je bestelling ook gratis afhalen in Lunteren (Gelderland).
Raamdorpel 160x50/90 1200mm

Raamdorpel 160x50/90 1200mm

Raamdorpel met waterhol en nok (20x18). Lengte: 1200mm. Bij afname van een raamdorpel brengen we transportkosten in rekening. Voor de eerste raamdorpel is deze relatief hoog, voor alle andere raamdorpels komt er slecht vijf euro per product aan transportkosten bij. Je kunt je bestelling ook gratis afhalen in Lunteren (Gelderland).
Raamdorpel 180x50/93

Raamdorpel 180x50/93

Raamdorpel met waterhol en nok (20x18). In lengte variabel. Bij afname van een raamdorpel brengen we transportkosten in rekening. Voor de eerste raamdorpel is deze relatief hoog, voor alle andere raamdorpels komt er slecht vijf euro per product aan transportkosten bij. Je kunt je bestelling ook gratis afhalen in Lunteren (Gelderland).
Raamdorpel 190x50/95

Raamdorpel 190x50/95

Raamdorpel met waterhol en nok (20x18). In lengte variabel. Bij afname van een raamdorpel brengen we transportkosten in rekening. Voor de eerste raamdorpel is deze relatief hoog, voor alle andere raamdorpels komt er slecht vijf euro per product aan transportkosten bij. Je kunt je bestelling ook gratis afhalen in Lunteren (Gelderland).
Raamdorpel 225x50/100

Raamdorpel 225x50/100

Raamdorpel met waterhol en nok (20x18). In lengte variabel. Standaard lengtes van 1200mm op voorraad. Bij afname van een raamdorpel brengen we transportkosten in rekening. Voor de eerste raamdorpel is deze relatief hoog, voor alle andere raamdorpels komt er slecht vijf euro per product aan transportkosten bij. Je kunt je bestelling ook gratis afhalen in Lunteren (Gelderland).
Raamdorpel 225x50/100 1200mm

Raamdorpel 225x50/100 1200mm

Raamdorpel met waterhol en nok (20x18). Lengte: 1200mm. Bij afname van een raamdorpel brengen we transportkosten in rekening. Voor de eerste raamdorpel is deze relatief hoog, voor alle andere raamdorpels komt er slecht vijf euro per product aan transportkosten bij. Je kunt je bestelling ook gratis afhalen in Lunteren (Gelderland).
Raamdorpel 255x50/105

Raamdorpel 255x50/105

Raamdorpel met waterhol en nok (20x18). In lengte variabel. Bij afname van een raamdorpel brengen we transportkosten in rekening. Voor de eerste raamdorpel is deze relatief hoog, voor alle andere raamdorpels komt er slecht vijf euro per product aan transportkosten bij. Je kunt je bestelling ook gratis afhalen in Lunteren (Gelderland).
Raamdorpel 285x50/110

Raamdorpel 285x50/110

Raamdorpel met waterhol en nok (20x18). In lengte variabel. Bij afname van een raamdorpel brengen we transportkosten in rekening. Voor de eerste raamdorpel is deze relatief hoog, voor alle andere raamdorpels komt er slecht vijf euro per product aan transportkosten bij. Je kunt je bestelling ook gratis afhalen in Lunteren (Gelderland).